Mein Food-Blog aus dem Hunsrueck

Feder-Masse-Dämpfer System

[latexpage]

Neulich bekam ich zufällig eine Aufgabe zum Thema Differentialgleichung in die Hände. Speziell ging es um das Modell eines Feder-Masse-Dämpfer System. Dieser Aufbau dient oft als Referenz eines schwingungsfähigen Systems in der Mechanik.

Feder-Masse-Dämpfer System

 

Eine von außen angreifende Kraft $F_e$ resultiert in einer Auslenkung x der Masse $m$. Gegen $F_e$ wirken die Kräfte der Masse $F_m$,  der elastischen Feder $F_c$ und des Dämpfers $F_D$ entgegen. Die Summe aller Kräfte muss 0 ergeben, wobei die angegebenen Kräfte dabei einzeln betrachtet werden können.

Feder -> Kraft ist proportional zum Weg :  \[ F_c (t) = c \cdot x(t)\]

Masse -> Kraft ist proportional zur Beschleunigung: \[F_m (t) = m \cdot a(t)\]

Dämpfer -> Kraft ist proportional zur Geschwindigkeit : \[ F_D(t) = D \cdot v(t)\]

Somit ergibt sich die Gleichung:

\[  F_e (t) – F_c (t) – F_m (t) – F_D (t) = F_e (t) – c \cdot x(t) – m \cdot a(t)-D \cdot v(t) = 0\]

Umgestellt nach $F_e$:

\[ F_e (t) = m \cdot a(t) + D \cdot v(t) + c \cdot x(t) = m \cdot \ddot x + D \cdot \dot x+ c \cdot x(t)\]

Wie man sieht, kann man das Feder-Masse-Dämpfer System auch als lineare Differenzialgleichung 2. Ordnung mit konstanten Koeffizienten beschreiben.

Feder-Masse-Dämpfer System: Einschwingverhalten

In der gestellten Aufgabe wurde das System mit einem Kraftsprung angeregt und gesucht wurde der zeitliche Verlauf des Einschwingvorgangs. Das System sollte mit Matlab/Simulink modelliert und anschließend simuliert werden. Da im privaten Bereich Matlab/Simulink nicht so weit verbreitet ist, wird hier das Programm Scicos verwendet. Mit Scicos erstellt man grafisch die benötigten Modelle mit vorgefertigten Blöcken und kann sie dann simulieren.

Feder-Masse-Dämpfer Modell

Das Modell ist aus den Standardblöcken aufgebaut und ähneln Simulink sehr stark. Der Block „Loop Breaker“ wird benötigt, da das Feder-Masse-Dämpfer Modell in diesem Fall eine algebraische Schleife bildet. Das Oszilloskop zeigt den Kraftsprung und im gleichen Fenster die Auslenkung an.

Feder-Masse-Dämpfer Einschwingverhalten

In dem zeitlichen Verlauf sieht man sehr schön die Schwingungsfähigkeit des Feder-Masse-Dämpfer Systems und ab wann das System im eingeschwungenen Zustand ist.

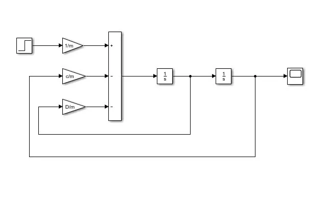
Alternatives Feder-Masse-Dämpfer-Modell

Der „Loop-Breaker“-Block ist natürlich nicht so schön und generell ist es wohl besser, wenn man die Gleichung nach der höchsten Ordnung umstellt:

\[  \ddot x = \frac{F_e (t)}{m} – \frac{D}{m} \cdot \dot x – \frac{c}{m} \cdot x(t)\]

Das ergibt dann folgendes Schaltbild (diesmal in Matlab/Simulink):Feder-Masse-Dämpfung Modell SimulinkFalls ihr tiefer einsteigen wollt, gibt’s hier eine Liste interessanter Bücher (Links führen zu Amazon):