[latexpage]
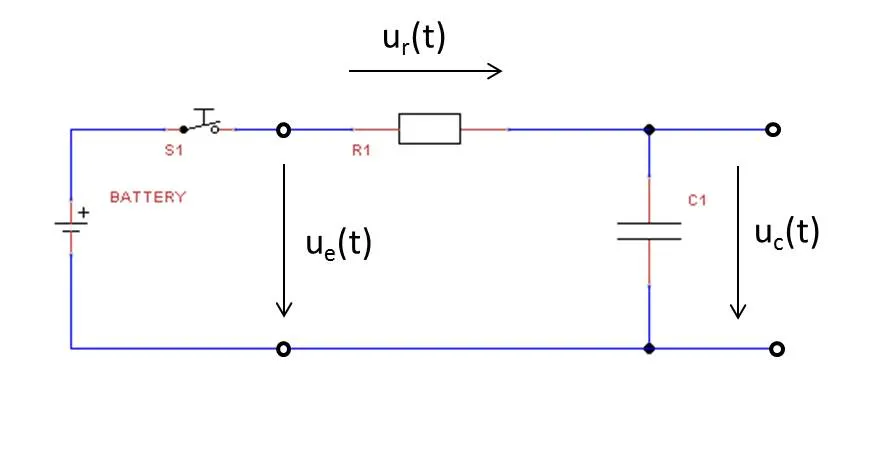
Nachdem ich vor kurzem ein Beispiel für eine DGL 2. Ordnung online gestellt habe, darf natürlich auch eine Aufgabe zur Differentialgleichung 1. Ordnung nicht fehlen. Gegeben ist der folgende Aufbau eines RC-Glieds mit folgenden beispielhaften Werten R1 = 1 kΩ für den Widerstand und C1 = 100 µF für den Kondensator. Gesucht wird der zeitliche Verlauf der Spannung am Kondensator, nachdem der Schalter S1 geschlossen wird.
Herleitung Differentialgleichung Kondensatorspannung
Die Maschenregel (2. Kirchhoffsches Gesetz) besagt, dass die Summe aller Teilspannungen in einer umlaufenden Masche 0 ergeben muss. Daraus folgt für den oben gezeigten Aufbau:
\[ u_e (t) – u_r (t) – u_c (t)= 0 \]
Der Strom i(t) verzweigt nicht und fließt durch alle Bauteile, ist somit überall gleich.
Dadurch ergibt sich für die Spannung $u_r$ am Widerstand:
\[ u_r (t) = R1 \cdot i(t) \]
Der Strom, der durch den Kondensator und somit auch durch den Widerstand fließt, wird beschrieben mit:
\[ i_c (t) = C1 \cdot \frac{d u_c}{dt} = C \dot u \]
Eingesetzt in die 1. Gleichung erhält man folgende Differentialgleichung:
\[ u_e (t) – R1 \cdot C1 \cdot \dot u_c – u_c(t)=0 \]
Umformung der Differentialgleichung
Im Prinzip kann man daraus das Blockschaltbild in Scicos aufbauen. Um eine algebraische Schleife zu umgehen, wird der Ausdruck wie folgt weiter umgeformt.
\[ \int u_e – R1 \cdot C1 \cdot u_c – \int u_c = 0 \]
\[ \int u_e –\int u_c = R1 \cdot C1 \cdot u_c \]
\[ u_c = \frac{1}{R1C1} \int{ u_e – u_c} \]
Das Blockschaltbild der Differentialgleichung Kondensatorspannung kann jetzt mit Standardblöcken erstellt werden. Mittels Oszilloskop wird die der Sprung mit Größe 5V und die Kondensatorspannung grafisch dargestellt.
Im Grafikenster kann man nach der Simulation schön den Sprung der Spannung $u_e$ nach Schließen des Schalters auf 5V (schwarze Linie) und den zeitlichen Verlauf der Kondensatorspannung $u_c$ (grün) sehen. Man sieht auch , dass der Differentialgkeichung Kondesatorspannung eine e-Funktion zu Grunde liegt.

